
xsports
Members-
Posts
134 -
Joined
-
Last visited
Everything posted by xsports
-
In general, they are not worth the money. Indeed, they generate profit for the dealers. If you want to monitor the automobile often, then go with the purchase, as suggested by others. Ensure there are no hidden clauses regarding automobile tracking; if there are, reject the offer.
-
Buying extended warranty for expired warranty V10+
xsports replied to alabbasi's topic in General Car Chat
I was satisfied utilising the Fidelity platform for two 911s I previously owned. Significant repairs were done once on the air conditioning evaporator and another time on the navigation system. Easy to work with, Porsche dealer also approved of them. -
This problem is not present. We own the iPhone 13 Pro and 15 Pro models running the most recent operating system. They are always connected. The automobile may have the most recent upgrade since we acquired it directly from the boat in early November. Here is an article detailing the process of connecting to CarPlay. Apple CarPlay
-
There is an abundance of beige on the automobile.
-
The issue with my vehicle was a boost leak caused by a minor crack in the line between the intercooler and the intake manifold. No fault codes were generated by this. I would not have been aware of it if the back bumper had not begun to grow muddy around the exhaust. There was no apparent hissing noise when the hood was open until my son revved the engine while underneath the vehicle, revealing a minor 2-inch crack that expanded with increased boost pressures.
-
The component in question does neither function as a torque converter nor does it operate as a dual-clutch gearbox (DCT). Is it correct to infer that the use of Hybrids or Mild Hybrids eliminates the need for a torque converter? I eagerly anticipated the release of the CX70; but, due to the discontinuation of the X3 30e, I ultimately made the decision to purchase a BMW 330e. It is plausible that my vehicle lacks a torque converter as well. Could you please clarify the subject matter of your inquiry?
-
My preferred option would be a manual, but, that is not feasible. I will go for a conventional automatic gearbox due to need. I prefer not to go for cars equipped with Dual Clutch Transmissions (DCTs) or Continuously Variable Transmissions (CVTs) since I tend to purchase automobiles with the intention of retaining them for a decade.
-
The implementation of DCT would also be a decisive factor for me. It is plausible that the manufacturers may alter their decisions on the gearbox system for the production cars, so potentially reverting to the conventional gearbox. Consequently, I would not be taken aback if such a modification were to occur. Despite the piece being dated in March, it still referred to the Mazda 6 as an anticipated car, which aligns with my own preference. Around that time, I became aware of the discontinuation of the Mazda 6.
-
I am inclined to question the accuracy of the source. According to the information provided in the majority of CX-60 YouTube videos, it has been conveyed that the CX-70 model would include identical engine options, including an 8-speed torque converter gearbox. I would be pleased to purchase a CX-60 in its current form, and I am perplexed as to why Mazda has chosen not to introduce this model to the United States. Moreover, it would be incongruous with Mazda's brand identity to have many automatic gearbox options. It is noteworthy to observe the prevalence of the archaic 6-speed automatic gearbox in a significant portion of their current car lineup. The Mazda UK website has the CX-60 model in its inventory, specifying that it is equipped with an 8-speed automatic gearbox. It is reasonable to anticipate the inclusion of this feature, at a minimum, in the next CX-70 and CX-90 models, and perhaps in any vehicle that is not being discontinued, unless it is only designed for cars equipped with a longitudinal engine layout. This new feature is expected to replace the existing 6-speed gearbox.
-
The aforementioned technology is known as Android Auto, which requires a USB connection for data transmission.
-
Indeed, the use of the USB connection is crucial for the activation of Android Auto.
-
The support for Windows 7 ceased in January 2020. This implies the absence of security upgrades, so making the identification of those who possess access to one's data uncertain. It is recommended to proceed with the upgrade to Windows 10 since it currently represents the most dated Windows version that is still receiving support. However, it is important to note that this support will only be available until October 2025. Staying updated with this subject matter is essential, unless one intends to sever its connection to the Internet.
-
The primary issue at hand pertains to the accessibility and proficiency in handling outdated technology. It should be noted that not all individuals operating independently possess the necessary familiarity in this regard. Therefore, it is advisable to inquire about the particular number of repairs they have successfully conducted in relation to this technology. The expenses associated with labour may be elevated.
-
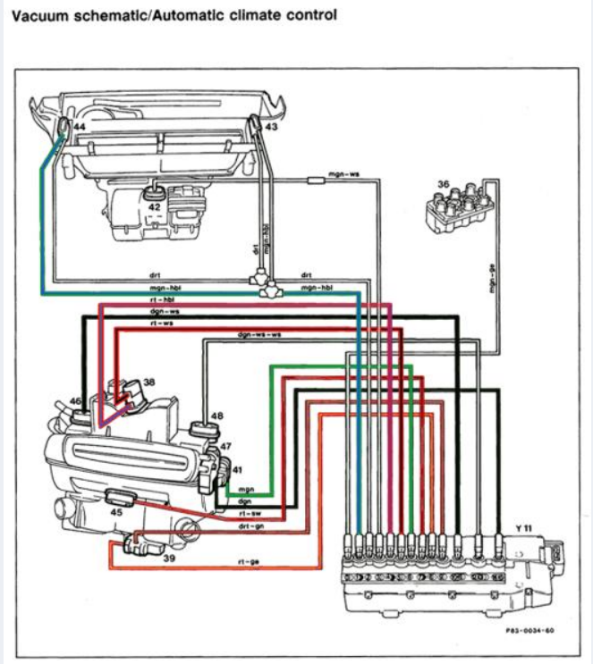
If I recall correctly, the first versions of the R129 had electrically controlled pneumatic flaps that were operated via vacuum diaphragms. Over time, these diaphragms tend to deteriorate and develop leaks, resulting in a failure to function properly. It is possible that subsequent models may have transitioned to a fully electronic system. I am uncertain about the matter at hand. One issue associated with electrically switched pneumatic valves is that despite the absence of fault codes, their operation may be hindered due to the presence of vacuum leaks.
-
What are the anticipated performance outcomes for the CX-70?
xsports replied to WanderlustGuru's topic in General Car Chat
The vehicle has a length of around 196 inches, providing ample legroom and a commendable amount of luggage capacity when the seats are in an upright position. The rear hatch has a steep incline, rather than a long back hatch with a low angle, in order to maximise the interior height and extend it into the cargo compartment. It is advisable to go for the 19-inch tyres included in the higher-end Premium packages, while considering the 21-inch tyres as an optional addition. This recommendation is particularly relevant for those residing in the Northeast area, characterised by snowy circumstances and poorly maintained roads with many potholes. The 19-inch tyres exhibit more resilience and perform more effectively in adverse weather conditions, as supported by personal experiences. The objective is to enhance the performance of the basic turbo engine by optimising its tuning to operate efficiently on ordinary petrol, which is more cost-effective. It is believed that by using this tuning approach, it should be feasible to get a horsepower output of 300 or more. This estimation is derived from personal experience with a current vehicle equipped with a 3.3 turbo engine. The inclusion of a deletion or bypass mode for the mild hybrid system is being proposed. The potential weight reduction of the CX-90 by around 300-400 lbs may be achieved by eliminating the third row seats and reducing the overall length of the vehicle by a few inches. The objective is to address the malfunctioning behaviour of the BSM (blind spot monitoring) capability. Specifically, there is a recurring issue where 90% of the reported alerts are false positives. It is hoped that this problem may be attributed to a software flaw, in which case rectifying the defect would be the solution. Alternatively, if the issue persists, it may be necessary to explore alternative sensor implementations that are shown to be effective. The objective is to investigate the underlying cause of the intermittent blank screen reports in the infotainment system. -
Products without a specific brand originating from online retailers such as "Newfrog" or "Tomtop" may be procured directly from China within an approximate timeframe of two weeks. The cost of a 125ml spray bottle, including shipment, is around £6. Undoubtedly, this polish exhibits the highest level of water repellency I have seen so far. The application process is straightforward, resembling that of Mr. Sheen. It involves spraying the substance (preferably on a day with less wind) and then buffing it until a noticeable shine is achieved. The task was completed three months ago, and with each subsequent washing, the appearance is restored as if the task had been freshly completed.
-
The potential cause of the issue may be attributed to the alternator. The rapid depletion of the battery might be attributed to a malfunctioning diode or a defective regulator.
-
Range estimation for plug-in hybrid electric vehicles
xsports replied to HOV's topic in General Car Chat
I am eager to ascertain the fuel efficiency I will achieve upon acquiring the vehicle. However, I have decided against relying on the gauges due to several accounts of dissatisfaction and frustration. The proposed methodology involves documenting the expenses incurred for gasoline and electricity, as well as the monthly mileage, followed by a straightforward computation to get the resultant miles per gallon (mpg) value.